
Müzik yayın ve anons yani Public Address sistemleri 3 ana kategoriye ayrılır: Ses kuvvetlendirme,Dağıtılmış ve Sesli alarm / Tahliye , genellikle ses kaynağının görüş alanındaki kişilerin yararına canlı ses üreten ve kuvvetlendiren sisteme Ses Kuvvetlendirme sistemi denir ve tiyatro, sinema, konser salonu, opera binası ve harici rock konseri alanlarda v.s. bulunur. Bu karmaşık karıştırma mixing özellikleri, geciktirme teknikleri gerektiren özel Public Address sınıfıdır. Farklı ülkelerde PA sistemi 50V, 70V veya 100V olarak kabul edilmiştir, bu Türkiye standartlarına göre 100V'luk teknolojisinde çalışmaktadır.
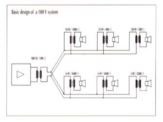
Neden 100V'luk sistem?
Bunu daha iyi anlayabilmemiz için ilk önce Düşük Empedanslı ( Lo-Z ) sistemin dezavantajlarını açıklayalım, bunlar :
Karmaşık hat kablolama düzenlenmesi
100V sistemine göre daha büyük hat kayıpları
Farklı tipte hoparlör kullanılması gerekli.
100V hat sistemin temel avantajları:
Sistem tasarımın basitliği ( paralel veya seri bağlantılar yoktur )
Sistemi tamamen bozmadan hoparlör ekleyebilme veya çıkartabilme
Trafo seviye seçimi ile hoparlör çıkışını değiştirebilme
Hoparlör kablolaşmasında daha düşük kayıplar 100V hat sistemin dezavantajı
Her hoparlöre hat trafosuna ihtiyaç olması
Dağıtılmış PA, nerdeyse müzik kaynaklarını doğrudan görmeyen ve duyamayan çok sayıda kişiye çok sayıda hoparlörle ses, müzik ve ton üretimi sağlar. PA sistemi sadece eğlence amacıyla değil, alarm -ton sinyalleşmesi, seçici zonlama, vs. ile birlikte idari/ bilgi ve acil durum mesajları için haberleşmesi de sağlar.
Public Address sistemi çok geniş uygulama alanlarına sahiptir, bunların bazıları:
Havaalanları, Tren ve Metro istasyonları, Otogarlar, Deniz otobüsleri limanları, Marinalar, Dünya Ticaret Merkezleri, Alışveriş merkezleri, Restaurant, Sanat ve Eğlence alanları, Tiyatrolar Grosmarketler, Hipermarketler, Marketler, İş merkezleri, Fabrikalar, Askeri alanlar (ordu evleri), Hoteller, Moteller,Tatil köyleri, yüzme havuz, Kayak merkezleri, Hastaneler, Fuarlar, Stadlar, Hipodromlar, Hükümet binaları, Okullar, Üniversiteler, Kimyasal endüstriler, Camiler, Müzeler, vs.
Anons ve Müzik sistemlerinde verilen hizmetlerden bazıları :
Anons ve Arka fon müziği
Çok zonlu çağrılama , dijital mesaj ve arka fon müziği
Zaman kontrollü dijital mesaj uyarı sistemi
Çok mikrofonlu merkezi ve lokal anons imkanı sağlayan hotel, hastane, market ve alışveriş merkezlerin sistemleri
Sesli alarm ve tahliye sistemleri - BS5839: Pt.8 ve BS EN 60849 standartlarına uygun
DC ve 20kHz teknolojisi ile Full hata denetleme PA sistemleri ( Havaalanları, Metro ve tren istasyonları, Dünya ticaret merkezleri, Kimyasal endüstriler vs.)
Müzik sistemlerinde en önemli kriterlerden birincisi; müzik yayını ve ses düzeyinin istenilen seviyede olması , her seslendirilmiş noktada homojen ses dağılımı, istenmeyen ses yankılanmaları ve parazitlerin olmadığı kaliteli bir ses elde etmektir. İkinci hayati kriter ise sesli alarm tahliyelerinde doğal afetlere karşı, yangın, sel, deprem gibi olaylarda insan hayatını kurtarmak.










